Mono MeMo -MMM-
  • ホーム
  • 回路設計
    • 無線/高周波
    • 部品知識
  • 数学 / 物理 / 化学
    • フーリエ解析
    • 統計
  • 製品知識
    • 製品知識
  • 雑記
    • Filmora9
    • ホームページ運用
    • 仕事お役立ち情報
  • 電子工作
    • Arduino
― CATEGORY ―

電子回路

enter-Q
 2024年7月2日
電子回路

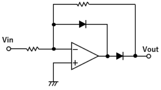
理想ダイオード回路

enter-Q
Mono MeMo -MMM-
カテゴリー
  • 回路設計
    • 有線通信
    • 無線/高周波
    • 部品知識
    • 電子回路
    • 電源回路
  • 数学 / 物理 / 化学
    • フーリエ解析
    • 統計
  • 製品知識
    • 製品スペック
    • 製品知識
  • 雑記
    • Filmora9
    • ホームページ運用
    • 仕事お役立ち情報
  • 電子工作
    • Arduino
    • M5Stack_BASIC
    • デバイス動作確認
  • HOME
  • 回路設計
  • 電子回路
2020–2026  Mono MeMo -MMM-